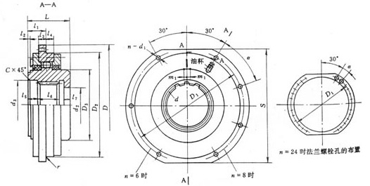
WJ球面滾子聯軸器基本參數和主要尺寸(JB/T 7009-93) mm
型號
|
公稱扭矩
Tn
N.m
|
許用
徑向力 kN |
d
內花鍵 |
D
|
D1
|
D2
(h6) |
D3
|
n-d1
|
d2
(M6) |
d3
(M6) |
S
(h9) |
L
|
l1
|
l2
|
l3
|
l4
|
l5
|
l6
|
l7
|
α
|
r
|
C
|
磨損
刻度 m |
轉動
慣量 kg.㎡ |
重量
kg |
|
孔
|
螺栓
|
|||||||||||||||||||||||||
WJ1
|
4
|
14.5
|
INT16Z×2.5m
|
250
|
220
|
160
|
85
|
6-14
|
M12
|
35
|
45
|
220
|
80
|
42
|
5
|
12
|
24
|
22
|
30
|
18
|
60
|
2
|
1.6
|
4
|
0.06
|
13.2
|
INT17Z×2.5m
|
38
|
48
|
12.2
|
|||||||||||||||||||||||
WJ2
|
5
|
16.5
|
INT17Z×2.5m
|
280
|
250
|
180
|
90
|
6-14
|
M12
|
38
|
48
|
250
|
80
|
42
|
5
|
12
|
24
|
22
|
30
|
18
|
60
|
2
|
1.6
|
4
|
0.11
|
19.8
|
INT15Z×3m
|
40
|
50
|
18.8
|
|||||||||||||||||||||||
WJ3
|
7.1
|
18.5
|
INT15Z×3m
|
320
|
280
|
200
|
95
|
6-18
|
M16
|
40
|
50
|
280
|
84
|
45
|
5
|
15
|
25
|
22
|
30
|
22
|
60
|
2.5
|
1.6
|
4
|
0.18
|
22.1
|
INT18Z×3m
|
50
|
60
|
2
|
21.8
|
||||||||||||||||||||||
WJ4
|
9
|
20
|
INT18Z×3m
|
340
|
300
|
220
|
130
|
6-18
|
M16
|
50
|
60
|
300
|
92
|
45
|
5
|
15
|
25
|
22
|
30
|
30
|
60
|
2.5
|
2
|
4
|
0.25
|
28.9
|
INT22Z×3m
|
60
|
70
|
35
|
25
|
28.8
|
|||||||||||||||||||||
WJ5
|
14
|
31
|
INT22Z×3m
|
360
|
320
|
240
|
150
|
6-18
|
M16
|
60
|
70
|
320
|
92
|
45
|
5
|
15
|
25
|
22
|
35
|
25
|
60
|
2.5
|
2
|
6
|
0.33
|
35
|
INT27Z×3m
|
70
|
85
|
97
|
40
|
2.5
|
34
|
||||||||||||||||||||
WJ6
|
18
|
35
|
INT27Z×3m
|
380
|
340
|
260
|
160
|
6-18
|
M16
|
70
|
85
|
340
|
97
|
45
|
5
|
15
|
25
|
22
|
40
|
25
|
60
|
2.5
|
2.5
|
6
|
0.44
|
40
|
INT18Z×5m
|
80
|
100
|
127
|
37
|
50
|
41
|
||||||||||||||||||||
WJ7
|
22.4
|
38.5
|
INT18Z×5m
|
400
|
360
|
280
|
170
|
6-18
|
M16
|
80
|
100
|
360
|
127
|
67
|
25
|
15
|
33
|
37
|
50
|
25
|
60
|
3
|
2.5
|
6
|
0.58
|
51
|
INT22Z×5m
|
100
|
120
|
137
|
55
|
30
|
47
|
||||||||||||||||||||
WJ8
|
28
|
42
|
INT22Z×5m
|
420
|
380
|
310
|
200
|
6-18
|
M16
|
100
|
120
|
380
|
137
|
77
|
35
|
15
|
33
|
37
|
55
|
30
|
60
|
3
|
2.5
|
6
|
0.85
|
59
|
INT26Z×5m
|
120
|
140
|
157
|
70
|
35
|
3
|
57
|
|||||||||||||||||||
WJ9
|
35.5
|
49
|
INT26Z×5m
|
450
|
400
|
340
|
230
|
6-22
|
M20
|
120
|
140
|
400
|
157
|
87
|
40
|
20
|
28
|
37
|
70
|
35
|
60
|
3
|
3
|
6
|
1.29
|
78
|
INT30Z×5m
|
140
|
160
|
167
|
75
|
40
|
75
|
||||||||||||||||||||
WJ10
|
71
|
115
|
INT30Z×5m
|
550
|
500
|
420
|
280
|
6-22
|
M20
|
140
|
160
|
500
|
167
|
95
|
43
|
20
|
38
|
37
|
75
|
40
|
60
|
3
|
3
|
8
|
3.40
|
129
|
INT34Z×5m
|
160
|
180
|
182
|
85
|
45
|
126
|
||||||||||||||||||||
WJ11
|
112
|
125
|
INT34Z×5m
|
580
|
530
|
450
|
300
|
8-22
|
M20
|
160
|
180
|
530
|
182
|
95
|
43
|
20
|
38
|
37
|
85
|
45
|
40
|
3
|
3
|
8
|
4.08
|
151
|
INT38Z×5m
|
180
|
200
|
192
|
95
|
4
|
146
|
||||||||||||||||||||
WJ12
|
180
|
150
|
INT38Z×5m
|
650
|
600
|
530
|
360
|
8-22
|
M20
|
180
|
200
|
580
|
192
|
120
|
63
|
25
|
33
|
37
|
95
|
45
|
40
|
3
|
4
|
8
|
7.23
|
210
|
INT26Z×8m
|
190
|
222
|
207
|
105
|
205
|
|||||||||||||||||||||
WJ13
|
315
|
250
|
INT26Z×8m
|
680
|
630
|
560
|
400
|
24-22
|
M20
|
190
|
222
|
600
|
207
|
120
|
63
|
25
|
35
|
37
|
105
|
45
|
10
|
4
|
4
|
8
|
9.66
|
236
|
INT30Z×8m
|
220
|
254
|
222
|
120
|
5
|
229
|
||||||||||||||||||||
WJ14
|
400
|
300
|
INT30Z×8m
|
710
|
660
|
600
|
440
|
24-26
|
M24
|
220
|
254
|
640
|
222
|
140
|
68
|
35
|
43
|
37
|
120
|
45
|
10
|
4
|
5
|
8
|
14.5
|
310
|
INT34Z×8m
|
250
|
286
|
237
|
135
|
293
|
|||||||||||||||||||||
WJ15
|
500
|
340
|
INT34Z×8m
|
780
|
730
|
670
|
500
|
24-26
|
M24
|
250
|
286
|
700
|
237
|
160
|
88
|
35
|
43
|
37
|
135
|
45
|
10
|
4
|
5
|
8
|
23.9
|
398
|
INT38Z×8m
|
280
|
318
|
262
|
150
|
55
|
395
|
||||||||||||||||||||
WJ16
|
630
|
380
|
INT38Z×8m
|
850
|
800
|
730
|
550
|
24-26
|
M24
|
280
|
318
|
760
|
262
|
180
|
108
|
35
|
43
|
37
|
150
|
55
|
10
|
4
|
5
|
8
|
34.2
|
483
|
INT44Z×8m
|
320
|
366
|
287
|
170
|
60
|
6
|
451
|
|||||||||||||||||||
WJ17
|
800
|
450
|
INT44Z×8m
|
950
|
900
|
840
|
630
|
24-26
|
M24
|
320
|
366
|
860
|
287
|
200
|
118
|
45
|
55
|
37
|
170
|
60
|
10
|
4
|
6
|
8
|
73.3
|
797
|
INT50Z×8m
|
360
|
420
|
352
|
52
|
220
|
8
|
793
|