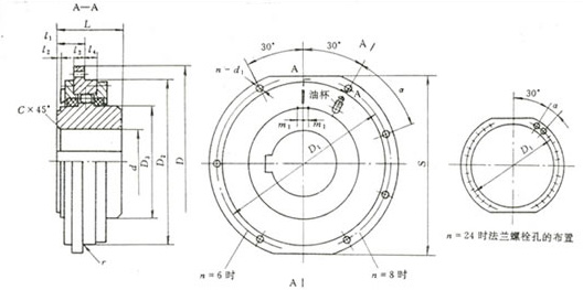
WJA型球面滾子聯軸器基本參數和主要尺寸:(JB/T 7009-93) mm
型號
|
公稱扭矩
Tn
N.m
|
許用
徑向力 kN |
d
H7 |
L
|
D
|
D1
|
D2
h6 |
D3
|
n-d1
|
S
h9 |
l1
|
l2
|
l3
|
l4
|
α
|
r
|
C
|
磨損
刻度 m |
轉動
慣量 kg.㎡ |
重量
kg |
|
孔
|
螺栓
|
||||||||||||||||||||
WJA1
|
4
|
14.5
|
40,42,45,48
|
84
|
250
|
220
|
160
|
86
|
6-14
|
M12
|
220
|
42
|
5
|
12
|
24
|
60
|
2
|
1.6
|
4
|
0.059
|
12.8
|
50,55
|
|||||||||||||||||||||
WJA2
|
5
|
16.5
|
45,48,50,55
|
84
|
280
|
250
|
180
|
90
|
6-14
|
M12
|
250
|
42
|
5
|
12
|
24
|
60
|
2
|
1.6
|
4
|
0.093
|
16.1
|
60
|
107
|
2
|
15.9
|
||||||||||||||||||
WJA3
|
7.1
|
18.5
|
48,50,55
|
84
|
320
|
280
|
200
|
95
|
6-18
|
M16
|
280
|
45
|
5
|
15
|
25
|
60
|
2.5
|
1.6
|
4
|
0.176
|
21.9
|
60,65
|
107
|
2
|
21.8
|
||||||||||||||||||
WJA4
|
9
|
20
|
60,65,70,75
|
107
|
340
|
300
|
220
|
130
|
6-18
|
M16
|
300
|
45
|
5
|
15
|
25
|
60
|
2.5
|
2
|
4
|
0.253
|
29.8
|
80,85
|
132
|
29.5
|
|||||||||||||||||||
WJA5
|
14
|
31
|
70,75
|
107
|
360
|
320
|
240
|
150
|
6-18
|
M16
|
320
|
45
|
5
|
15
|
25
|
60
|
2.5
|
2
|
6
|
0.335
|
35
|
80,85,90,95
|
132
|
2.5
|
36.5
|
||||||||||||||||||
WJA6
|
18
|
35
|
80,85,90,95
|
132
|
380
|
340
|
260
|
160
|
6-18
|
M16
|
340
|
45
|
5
|
15
|
25
|
60
|
2.5
|
2.5
|
6
|
0.451
|
43.3
|
100,110
|
167
|
43.7
|
|||||||||||||||||||
WJA7
|
22.4
|
38.5
|
80,85,90,95
|
132
|
400
|
360
|
280
|
170
|
6-18
|
M16
|
360
|
47
|
5
|
15
|
33
|
60
|
3
|
2.5
|
6
|
0.58
|
53
|
100,110,120
|
167
|
52
|
|||||||||||||||||||
WJA8
|
28
|
42
|
100,110,120
|
167
|
420
|
380
|
310
|
200
|
6-18
|
M16
|
380
|
47
|
5
|
15
|
33
|
60
|
3
|
2.5
|
6
|
0.91
|
69
|
130,140
|
202
|
3
|
67
|
||||||||||||||||||
WJA9
|
35.5
|
49
|
100,110,120
|
167
|
450
|
400
|
340
|
230
|
6-22
|
M20
|
400
|
52
|
5
|
20
|
28
|
60
|
3
|
2.5
|
6
|
1.35
|
89
|
130,140,150
|
202
|
3
|
88.5
|
||||||||||||||||||
WJA10
|
71
|
115
|
130,140,150
|
202
|
550
|
500
|
420
|
280
|
6-22
|
M20
|
500
|
60
|
8
|
20
|
38
|
60
|
3
|
3
|
8
|
3.69
|
156
|
160,170,180
|
242
|
151
|
|||||||||||||||||||
WJA11
|
112
|
125
|
160,170,180
|
242
|
580
|
530
|
450
|
300
|
8-22
|
M20
|
530
|
60
|
8
|
20
|
38
|
40
|
3
|
3
|
8
|
4.53
|
184
|
190,200
|
282
|
4
|
181
|
||||||||||||||||||
WJA12
|
180
|
150
|
190,200,220
|
282
|
650
|
600
|
530
|
360
|
8-22
|
M20
|
580
|
65
|
8
|
25
|
33
|
40
|
3
|
4
|
8
|
8.41
|
267
|
240,250
|
330
|
247
|
|||||||||||||||||||
WJA13
|
315
|
250
|
200,220
|
282
|
680
|
630
|
560
|
400
|
24-22
|
M20
|
600
|
65
|
8
|
25
|
35
|
10
|
4
|
4
|
8
|
11.4
|
319
|
240,250,260
|
330
|
311
|
|||||||||||||||||||
WJA14
|
400
|
300
|
240,250,260
|
330
|
710
|
660
|
600
|
440
|
24-26
|
M24
|
640
|
82
|
10
|
35
|
43
|
10
|
4
|
4
|
8
|
17.7
|
430
|
280,300
|
380
|
5
|
394
|
||||||||||||||||||
WJA15
|
500
|
340
|
240,250,260
|
330
|
780
|
730
|
670
|
500
|
24-26
|
M24
|
700
|
82
|
10
|
35
|
43
|
10
|
4
|
4
|
8
|
29
|
544
|
280,300,320
|
380
|
5
|
560
|
||||||||||||||||||
WJA16
|
630
|
380
|
280,300,320
|
380
|
850
|
800
|
730
|
550
|
24-26
|
M24
|
760
|
82
|
10
|
35
|
43
|
10
|
4
|
5
|
8
|
43.6
|
693
|
340,360,380
|
450
|
6
|
664
|