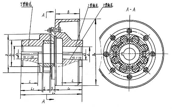
MLL-II(LMZ-II)整體制動輪梅花聯軸器的參數及主要尺寸:(GB/T5272-85) mm
型號
|
公稱轉矩
Tn
N.m
|
許用轉速
n/min
|
軸孔直徑
d1,d2,dz
|
軸孔長度
|
L0
|
D0
|
B
|
D
|
D1
|
S
|
彈性件
型號
|
質量
kg
|
||
Y
|
Z,J
|
|||||||||||||
L
|
L
|
L1
|
||||||||||||
MLL4-II-160
|
250
|
4750
|
25,28
|
62
|
44
|
62
|
190.5
|
160
|
70
|
105
|
65
|
3.5
|
MT4
|
10
|
30,32,35,38
|
82
|
60
|
82
|
210.5
|
||||||||||
40,42
|
112
|
84
|
112
|
265.5
|
||||||||||
MLL4-II-200
|
3800
|
25,28
|
62
|
44
|
62
|
215.5
|
200
|
85
|
14
|
|||||
30,32,35,38
|
82
|
60
|
82
|
235.5
|
||||||||||
40,42
|
112
|
84
|
112
|
265.5
|
||||||||||
MLL5-II-200
|
400
|
30,32,35,38
|
82
|
60
|
82
|
242
|
125
|
75
|
4
|
MT5
|
16.5
|
|||
40,42,45,48
|
112
|
84
|
112
|
272
|
||||||||||
MLL6-II-200
|
630
|
35,38
|
82
|
60
|
82
|
249
|
145
|
85
|
4.5
|
MT6
|
20.5
|
|||
40,42,45,48,48,50,55
|
112
|
84
|
112
|
279
|
||||||||||
MLL6-II-250
|
3050
|
35,38
|
82
|
60
|
82
|
279
|
250
|
105
|
25.6
|
|||||
40,42,45,48,48,50,55
|
112
|
84
|
112
|
309
|
||||||||||
MLL7-II-250
|
1120
|
45,48,48,50,55
|
112
|
84
|
112
|
312
|
170
|
100
|
5.5
|
MT7
|
31.4
|
|||
60,63,65
|
142
|
107
|
142
|
372
|
||||||||||
MLL7-II-315
|
2400
|
45,48,48,50,55
|
112
|
84
|
112
|
312
|
315
|
135
|
38.2
|
|||||
60,63,65
|
142
|
107
|
142
|
372
|
||||||||||
MLL8-II-315
|
1800
|
50,55
|
112
|
84
|
112
|
351
|
200
|
120
|
6.5
|
MT8
|
55.5
|
|||
60,63,65,70,71,75
|
142
|
107
|
142
|
416
|
||||||||||
MLL8-II-400
|
1900
|
50,55
|
112
|
84
|
112
|
351
|
400
|
170
|
75.3
|
|||||
60,63,65,70,71,75
|
142
|
107
|
142
|
416
|
||||||||||
MLL9-II-400
|
2800
|
60,63,65,70,71,75
|
142
|
107
|
142
|
421
|
230
|
150
|
7.5
|
MT9
|
92.9
|
|||
80,85,90,95
|
172
|
132
|
172
|
451
|
||||||||||
MLL9-II-500
|
1500
|
60,63,65,70,71,75
|
142
|
107
|
142
|
275
|
500
|
210
|
138
|
|||||
80,85,90,95
|
172
|
132
|
172
|
505
|
||||||||||
MLL10-II-500
|
4500
|
70,71,76
|
142
|
107
|
142
|
490
|
260
|
180
|
MT10
|
180
|
||||
80,85,90,95
|
172
|
132
|
172
|
520
|
||||||||||
100,110
|
212
|
167
|
212
|
560
|
||||||||||
MLL11-II-630
|
6300
|
1200
|
80,85,90,95
|
172
|
132
|
172
|
580
|
630
|
265
|
300
|
200
|
8.5
|
MT11
|
250
|
100,110,120
|
212
|
167
|
212
|
620
|
||||||||||
MLL12-II-710
|
11200
|
1050
|
90,95
|
172
|
132
|
172
|
630
|
710
|
300
|
360
|
225
|
9
|
MT12
|
290
|
100,110,120,125,130
|
212
|
167
|
212
|
670
|
||||||||||
MLL13-II-800
|
12500
|
950
|
100,110,120,125,130
|
212
|
167
|
212
|
710
|
800
|
340
|
400
|
250
|
MT13
|
320
|
|
130,140
|
252
|
202
|
252
|
750
|